产品展示

当前位置:主页 > 产品展示 > KJM3EL 剩余电流保护断路器(电子式漏电)

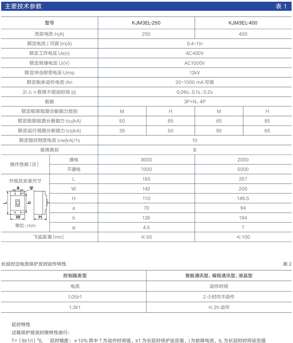
KJM3EL 剩余电流保护断路器(电子式漏电)

产品时间:2025-06-17 15:13:37

地址:浙江省乐清市柳市镇新光工业区 传真:0577 - 6178 7650 邮箱:8533 12611@qq.com